Полный гид по монтажу тёплого пола инфракрасного под линолеум
- Полный гид по монтажу тёплого пола инфракрасного под линолеум
- Связанные вопросы и ответы
- Какие материалы нужны для монтажа инфракрасного тёплого пола под линолеум
- Как подготовить основание перед установкой инфракрасного тёплого пола
- Можно ли стелить линолеум directly на инфракрасные обогревательные элементы
- Какой тип линолеума лучше всего подходит для инфракрасного тёплого пола
- Как правильно рассчитать мощность инфракрасного тёплого пола для моего помещения
- Нужно ли дополнительное утепление при монтаже инфракрасного тёплого пола под линолеум
- Как подключить инфракрасный тёплый пол к электрической сети
- Какой максимальный срок службы инфракрасного тёплого пола под линолеум
- Как избежать перегрева инфракрасного тёплого пола под линолеумом
Полный гид по монтажу тёплого пола инфракрасного под линолеум
Монтаж инфракрасного пленочного теплого пола – занятие не из простых. Однако справиться с ним может не только профессионал, но и простой обыватель, понимающий законы электромеханики. Только вот разница между специалистом и дилетантом будет в одном: последний чаще допускает ряд типичных ошибок.
Предусмотреть все возможные огрехи можно и нужно на стадии планировки. Для этого достаточно следовать простым правилам:
1. Если в помещении есть конвекторы, радиаторы или другие теплопроводящие предметы, при укладке пленочного теплого пола отступайте от них на 20-25 см. Также около 10 см нужно отмерять от стены.
2. Система теплых полов в доме не должна перекрываться диванами, шкафами, тумбами со сплошным дном, а также бытовой техникой без ножек. Если мебель заходит на пленочную поверхность из-за планировки комнаты, то обеспечьте теплому полу воздушное пространство. Примерно 10-15 см отступа в высоту от периметра накрываемой площади будет достаточно.
3. В доме теплый пол может стать основным либо дополнительным источником обогрева. В первом случае пленочный теплый пол покупают примерно для 70% всей площади. А во втором случае материалом достаточно застелить 40% комнаты.

4. Во время укладки инфракрасной пленки для пола нужно ориентироваться по полоскам – элементам нагрева. Их размещают по длине помещения. Так вы уменьшите количество раскладываемых полотен, число точек подключения к проводам и, соответственно, сэкономите свое время.
5. Место для установки температурного датчика – самое холодное. Его устанавливают не где-нибудь в центре комнаты, а ближе к окну или двери. Для того, чтобы разместить измерительный прибор самостоятельно, придется штробить пол на сантиметр в глубину.
6. Максимальная длина инфракрасных элементов нагрева – 8 м.
Изготовители систем «теплый пол» указывают в инструкции ряд важных и полезных советов. Так, например, они понимают, что в большинстве случаев покупатели будут подрезать изделия под свои параметры. Поэтому на пленке можно найти специальную пунктирную линию для правильного разреза.
Связанные вопросы и ответы:
Вопрос 1: Какие преимущества использования инфракрасного тёплого пола под линолеум
Инфракрасные тёплые полы под линолеум имеют множество преимуществ. Во-первых, они обеспечивают равномерное распределение тепла по всей площади пола, что создаёт комфортную температуру в помещении. Во-вторых, такие системы энергосберегающие, так как инфракрасные обогреватели эффективно преобразуют электроэнергию в тепло. Кроме того, инфракрасные полы долговечны и требуют минимального обслуживания. Они также не занимают много места, что делает их идеальным выбором для различных помещений. Наконец, инфракрасное тепло полезно для здоровья, так как оно не пересушивает воздух и не вызывает аллергии.
Вопрос 2: Каковы основные этапы монтажа инфракрасного тёплого пола под линолеум
Монтаж инфракрасного тёплого пола под линолеум включает несколько важных этапов. Сначала необходимо подготовить основание пола: выровнять его, убрать все неровности и пыль. Далее устанавливается слой изоляции, чтобы минимизировать теплопотери. Затем монтируется сама инфракрасная панель или кабель, в зависимости от выбранной системы. После этого устанавливается терморегулятор для управления температурой. Наконец, на готовую поверхность укладывается линолеум. Каждый этап требует внимательности и точности, чтобы обеспечить эффективную работу системы.
Вопрос 3: Как выбрать подходящий линолеум для инфракрасного тёплого пола
Выбор подходящего линолеума для инфракрасного тёплого пола важен для эффективной работы системы. Линолеум должен иметь низкое термическое сопротивление, чтобы тепло хорошо передавалось. Также важно учитывать толщину материала: слишком толстый линолеум может снижать эффективность обогрева. Рекомендуется выбирать линолеум с антистатическими и антисептическими свойствами, чтобы обеспечить безопасность и долговечность. Кроме того, стоит обратить внимание на качество материала и его устойчивость к износу. Перед покупкой желательно проконсультироваться с специалистом или изучить рекомендации производителя.
Вопрос 4: Каковы основные расходы при установке инфракрасного тёплого пола под линолеум
Основные расходы при установке инфракрасного тёплого пола под линолеум включают стоимость материалов и работы. Стоимость инфракрасных панелей или кабелей может варьироваться в зависимости от мощности и площади помещения. Также необходимо учитывать стоимость терморегулятора, изоляции и линолеума. Если вы нанимаете специалистов, то расходы на труд добавятся к общей сумме. Кроме того, необходимо учитывать расходы на электроэнергию в процессе эксплуатации. Однако, несмотря на первоначальные вложения, инфракрасные полы могут сэкономить средства на отоплении в долгосрочной перспективе.
Вопрос 5: Как обеспечить безопасность при использовании инфракрасного тёплого пола под линолеум
Обеспечение безопасности при использовании инфракрасного тёплого пола под линолеум требует соблюдения нескольких правил. Во-первых, необходимо следовать инструкциям производителя при монтаже и эксплуатации. Во-вторых, важно правильно настроить терморегулятор, чтобы избежать перегрева. Также не рекомендуется укладывать линолеум слишком туго, чтобы избежать деформации. В помещении с инфракрасным полом не должно быть водных процедур, чтобы избежать короткого замыкания. Наконец, регулярное обслуживание и проверка системы помогут предотвратить возможные поломки и обеспечить безопасность.
Вопрос 6: Как инфракрасные тёплые полы сравниваются с другими системами отопления под линолеум
Инфракрасные тёплые полы имеют ряд преимуществ перед другими системами отопления под линолеум. По сравнению с водяными системами, они более просты в установке и обслуживании, а также не требуют сложной инфраструктуры. Инфракрасные полы также более энергоэффективны, так как они напрямую нагревают поверхность пола, а не воду. В отличие от электрических кабелей, инфракрасные панели обеспечивают более равномерное распределение тепла и меньше нагреваются, что делает их более безопасными. Однако, инфракрасные системы могут быть более дорогими в установке, что может быть недостатком для некоторых пользователей. В целом, инфракрасные тёплые полы являются современным и эффективным решением для обогрева помещений.
Какие материалы нужны для монтажа инфракрасного тёплого пола под линолеум
При выборе линолеума под инфракрасный пленочный тёплый пол необходимо рассмотреть все эксплуатационные характеристики, технические особенности монтажа, очевидные плюсы и минусы материала. Можно пойти по более легкому пути и внимательно изучить рекомендации производителя для длительного использования продукции.
Вся важная информация закодирована в маркировке линолеума. Существует российская и европейская системы. Отечественный производитель использует цифровые коды (от минимальной проходимости до производственных площадей) и буквенные обозначения (например, у ПВХ-линолеума). Стоит обращать внимание на специальные значки, которые указывают на совместимость линолеума с тёплым полом.
Европейская система UРЕС определяет стойкость к истиранию (от 0 до 4), остаточную деформацию (от 0 до 4), водостойкость, устойчивость к химикатам.
Оптимальный класс линолеума для бытовых помещений с тёплым полом — 31-43.

Как подготовить основание перед установкой инфракрасного тёплого пола
Для питания ITP используйте две схемы подключения. Термостат и розетка подключены напрямую. Существует множество неудобств, связанных с первым вариантом.
Теплый пол необходимо включать и выключать вручную, подключая его к электросети через выключатель. Это довольно сложное занятие, которое имеет смысл только в том случае, если установка небольшой системы инфракрасного отопления обойдется значительно дешевле, чем покупка термостата.
Ничего сложного в использовании термостата для подключения к инфракрасному теплому полу нет. Чтобы получить эффективно работающий пленочный теплый пол, достаточно придерживаться следующих рекомендаций и прилагаемой к комплекту инструкции.
Ниже приведена схема, которая выглядит следующим образом. Подключение нагревательной ленты с обеих сторон. Со временем медные шины образуют одностороннее соединение. Оба ответа одинаково точны.
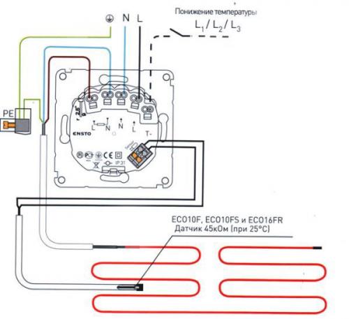
Розетка термостата — место, где сходятся два провода питания, провод термостата и два провода от инфракрасного покрытия.

Термостат получает информацию о температуре пола через термодатчик. Микропроцессор регулятора подает сигналы в реле для включения или выключения системы отопления, сравнивая фактические показания температуры нагрева напольного покрытия с заданным параметром.
Каждый комплект инфракрасного теплого пола можно приобрести с исчерпывающей инструкцией по монтажу, в которой все компоненты соединены в единую систему и подключены к электросети.
Владелец дома может автономно собрать и эксплуатировать инфракрасный теплый пол своими руками, воспользовавшись руководством. Для этого необходимо выполнить следующие действия.

- Подготовьте основание пола.
- Разрезание инфракрасного пленочного покрытия.
- Выбор оптимального сечения провода.
- Подключение фрагментов инфракрасного теплого пола.
- Выбор места для термостата и его установка.
- Установка датчика температуры.
- Заземление ИТП.
- Первый запуск.
Эксперты советуют использовать ее в качестве подложки для походных листов толщиной 4-5 мм, а также тонкой подкладки. При укладке ламината очень важно, чтобы под ним не было никаких следов выступов. Провода и контактные соединения могут быть скрыты в массиве пробки.

Для этого нужная форма углубляется путем разрезания пробковых листов канцелярским ножом. Вы можете просто надавить на пробку, чтобы создать зазоры, в которых можно проложить электропроводку для укладки проводов.
Резка инфракрасного пленочного покрытия
Схема пленочного покрытия наносится на план помещения перед нанесением инфракрасных полос. Рулоны инфракрасной пленки шириной 50, 80 и 100 см доступны для покупки.
Длина рулона может составлять от шести до двенадцати метров. Благодаря уникальному расположению нагревательных элементов ленту можно отрезать через каждые 25 сантиметров длины рулона.
Полосы укладываются в соответствии с инструкцией, края располагаются на расстоянии 50 сантиметров от стен. Они могут быть размещены на полу в помещении любого размера и формы, в зависимости от параметров нарезки полос.
Выбор оптимального сечения проволоки
Провод ПВ-3 соединяет полосы нагревательной пленки стандартной длины 6 м, 8 м и 12 м и ширины 0.5 m, 0.8 м, и 1 м. Многократная скрутка проводов обеспечивает большую гибкость. Оболочка из ПВХ является надежным изолятором.
При выборе сечения провода учитывается мощность электрических компонентов системы пола. A 1.Для соединения полос используется провод сечением 5 мм 2, мощностью ITP до 1500 Вт.
Провод, имеющий сечение 2.5 мм 2 используется, если мощность нагревательного покрытия составляет от 1.5 и 3.5 кВт и более. При покупке комплекта теплого инфракрасного пола обратите внимание на инструкцию на коробке. Мощность оборудования в киловаттах должна быть указана производителем.

Инфракрасный теплый пол должен быть правильно подключен, чтобы красный, синий, белый и черный провода в ПВХ оболочке были видны. Например, для последовательного подключения левых шин используется провод с красной фазой, а для правых шин — жилы синей оболочки. К белому проводу можно подключить датчик температуры, а к черному — заземление.
Можно ли стелить линолеум directly на инфракрасные обогревательные элементы
Наиболее удобные и удачные варианты (и кроме того, единственные разрешенные для обустройства в многоквартирных домах) - это электрические теплые полы. Глобально они делятся на два типа - разные подвиды кабельных полов и инфракрасные.
Кабельный теплый пол
Наиболее долговечный и надежный вариант (некоторые производители дают даже пожизненную гарантию), а если использовать кабель свободной укладки - то это позволит максимально точно покрыть помещение любой формы, обойти любые колонны и т.д.
При этом существуют и варианты, которые достаточно “расстелить рулон и подключить” - это нагревательные маты (или “секции”). Они уже разложены производителем в виде “змейки” с рекомендованным шагом на специальной тонкой фиксирующей сетке так, что остается только выбрать один или несколько таких “ковриков” под свою площадь, разложить и залить стяжкой (или плиточным клеем).
Единственное - обязательно прокладывайте щуп термодатчика и ставьте терморегулятор, тогда можно будет удобно выставлять ту температуру, которая вам нужна (и ту, которую рекомендуют производители линолеума - как правило, 27 градусов). Современными терморегуляторами можно управлять даже со смартфона.
Инфракрасный теплый пол
Максимально простой в укладке и непревзойденно тонкий теплый пол. Дополнительный плюс - не требует заливки поверх стяжкой, не утолщает ваши полы. Однако по долговечности использования классические кабельные полы их несколько обходят. При всем этом если вы не готовы возиться с заливкой дополнительного слоя стяжки, возможно это будет единственный вариант. Если выбрать хорошего производителя, то и ИК-пол прослужит очень долго, хорошо прогревая помещение.
Главное правило - не стелите теплый пол под теми местами, где будет стоять габаритная мебель - диваны, шкафы и т.п., чтобы не было локального перегрева из-за уменьшенного тока воздуха.
Какой тип линолеума лучше всего подходит для инфракрасного тёплого пола
Единственное, о чем следует сказать детальнее — это коэффициент энергопотребления 0,35, который обеспечивает терморегулятор для теплого пола . Некоторые потребители зададутся вопросом: почему указана именно такая цифра? Дело в том, что принцип работы терморегулятора состоит в следующем — пленочный инфракрасный теплый пол нагревается до заданной температуры от 10 секунд до 1 минуты. После этого терморегулятор автоматически отключает питание и происходит естественное охлаждение термопленки . Этот процесс занимает от 2-х до 10 минут (в зависимости от степени теплоизоляции дома и опять-таки установленной температуры). Понятно, что в это время пленочный пол не потребляет энергии вообще. Когда же срабатывает температурный датчик, терморегулятор опять включает пол, и снова идет нагрев от 10 до 60 секунд. Потом опять отключение и т.д. Как видим, коэффициент 0,35 — это усредненный показатель реального энергопотребления.
При устройстве системы полового обогрева любого вида важным пунктом становится мощность теплого пола на 1 м2. Изначально это влияет на выбор материала, площадь покрытия и тип нагревательного элемента.
В конечном итоге, эффективность отопления скажется на семейном бюджете в виде ежемесячных плат за электроэнергию. Рассмотрим специфику расчета эффективности отопления полом в зависимости от индивидуальных особенностей.

Для расчета требуемой эффективности элементов необходимо определиться с некоторыми факторами, имеющими непосредственное влияние на этот показатель:
- отапливаемая площадь;
- качество теплоизоляции стен и перекрытий;
- теплопроводность финишного покрытия пола.
Для беспроблемной работы и гарантированного долгого срока службы отопления она должна работать в режиме, не превышающим 80% от максимальной мощности.
Расчет мощности теплого пола во много зависит от правильности заданной полезной площади.
В качестве основного отопления укладка электрических полов может использоваться только при условии, что покрытие составляет не менее 70% от общей площади помещения.
P – мощность элемента обогрева;
S – полезная площадь;
k – удельная мощность.
Удельные мощности электрического теплого пола для помещений различного типа:
| № | Тип помещения | Удельная мощность системы теплого пола на 1 м2 (Вт/м2) |
| 1 | Жилые комнаты, кухня (1 этаж) | 140-150 |
| 2 | Жилые комнаты, кухня (2 этаж и выше) | 110-120 |
| 3 | Застекленные и утепленные балконы и лоджии | 140-180 |
| 4 | Санузлы (1 этаж) | 120-150 |
| 5 | Санузлы (2 этаж и выше) | 110-130 |
| 6 | Основное отопление | не менее 180 |
| 7 | Дополнительное создание комфортных условий | 110-120 |
Расход электроэнергии при этом весьма приблизительный. Многое зависит от уровня теплоизоляции в целом: уровень теряемого тепла через окна, стены, перекрытия.
Полезная площадь составит: 10/100*70= 7 м2. Удельная сила для санузлов второго этажа 130 Вт/м2, но при этом использование полов как основного элемента системы отопления предполагает мощность не менее 180 Вт/м2.
Принимаем большее значение. Получаем: Р=7*180=1260 Вт (1,26 кВт) – общая теплоотдача пола в санузле.
Не всегда планировка комнаты может позволить использовать половую систему в качестве основного источника отопления. Между нагревательным элементом и мебелью должно быть расстояние не менее 10 см.
В небольших комнатах с широкой мебелью (диван, кровать) использовать систему теплого пола в качестве основной не целесообразно.
Как правильно рассчитать мощность инфракрасного тёплого пола для моего помещения
Основу стержневых систем составляют графитово-серебряные стержни, внутри которых проложен карбоновый материал. Они соединены между собой многожильными проводами и запаяны в защитную медную оболочку. Системы выпускаются в виде отдельных кабелей или готовых бухт.
Инфракрасные лучи в таких системах действуют прямолинейно, а потому вызывают нагрев не окружающего воздуха, а расположенных внутри помещения предметов: напольного покрытия, мебели, стен и потолка. Благодаря этому свойству скорость ИК-обогрева значительно выше традиционных аналогов – электрической и водяной систем.
К числу неоспоримых достоинств инфракрасного пленочного теплого пола стоит отнести:
- Экологичность. Инфракрасные лучи по воздействию схожи с солнечным светом и потому оказывают благоприятное влияние на все живые организмы. Они не имеют побочного эффекта.
- Простота монтажа. Конструктивные особенности системы позволяют при минимальных затратах и усилиях произвести качественный монтаж, владея лишь базовыми навыками строительных работ.
- Сочетаемость с разными видами покрытия. Укладку инфракрасного теплого пола допускается выполнять сразу «на сухую» под ковролин, паркетную доску, линолеум или ламинат.
Благодаря тому, что нагревательные элементы в пленочной системе плотно заламинированы полимерным слоем, им не страшны случайные вмятины и проколы, а также воздействие влаги. Но даже в случае повреждения одной из карбоновых полос за счет параллельной схемы подключения остальные элементы будут продолжать работать.
Нужно ли дополнительное утепление при монтаже инфракрасного тёплого пола под линолеум
Инфракрасный (пленочный) теплый пол монтируется с некоторыми отличиями от своего кабельного «собрата». Следуйте инструкции.

Монтаж инфракрасного электрического теплого пола

Электрический инфракрасный теплый пол

Принципиальная схема подключения ИПО
Составляем схему укладки
Первый шаг. Выбираем место установки терморегулятора. Его монтаж рекомендуется выполнять с 15-сантиметровым отступом от поверхности пола.

Монтаж скрытого терморегулятора теплого пола

Монтаж скрытого терморегулятора теплого пола
Второй шаг. Составляем схему укладки системы обогрева.
Важно: пленку нельзя размещать под крупными бытовыми приборами, мебелью и прочими тяжелыми вещами.
При составлении схемы учитывайте следующие важные нюансы:
- первый ряд пленки должен быть уложен с отступом не менее 100 мм и не более 400 мм от стен;
- если теплый пол будет применяться в качестве основной системы обогрева, он должен занимать как минимум 70-75% суммарной площади поверхности;
- если инфракрасная пленка укладывается в качестве дополнения к имеющемуся обогреву, достаточно, чтобы она занимала порядка 40-50% площади основания.
Укладываем и подключаем систему
Первый шаг. Раскладываем инфракрасную пленку поверх теплоизоляции. Придерживайтесь составленной схемы. При необходимости пленку можно резать по заводским линиям.

Раскладываем инфракрасную пленку поверх теплоизоляции

Резка матов
Укладку элементов выполняйте медными частями контактов вниз по направлению к стене с терморегулятором
Второй шаг. Подключаем контактные зажимы к краю медной полоски и подсоединяем провода.
Конструкция инфракрасного теплого пола

Подключение инфракрасного теплого пола
Третий шаг. Изолируем места разрезов инфракрасной пленки и соединений зажимов и кабелей. Для изоляции хорошо подходит специальная битумная мастика.

Подключение инфракрасного теплого пола
Важно: чем длиннее нагревательные полотнища, тем меньше должно быть контактов. Помните: полоса не может быть длиннее 8 м.
Часть зажимов устанавливайте на токонесущую поверхность. Оставшиеся располагайте внутри нагревательной пленки.
Как подключить инфракрасный тёплый пол к электрической сети
Теплый инфракрасный (ИК) пол – один из видов электрического отопления. Представляет собой тонкую пленку из карбоновых стержней, которые хорошо проводят тепло. Стержни соединены медной и серебряной токопроводящими полосами. Сверху конструкция покрыта ламинирующей пленкой.

С помощью проводов элементы пола подключаются к источнику электроэнергии. Во включенном состоянии карбон испускает инфракрасные волны — длиной до 20 мкм. Когда они достигают какого-нибудь плотного тела, например напольного покрытия, то нагревают его. Степень нагрева контролирует терморегулятор. На нем можно задать нужную температуру и время работы. С помощью датчиков прибор отслеживает, нагрелся ли пол до нужной температуры, выключает оборудование и снова включает, когда пол остывает. Максимальная температура пола – 45–55 °C.
Преимущества ИК-пола
- Пол быстро нагревается — становится теплым почти сразу после включения, так что электроэнергия не тратится впустую.
- Толщина пленки в среднем всего 1 мм. Это особенно ценно для помещений с низкими потолками.
- Оборудование для ИК-пола обходится дешевле, чем для водяного или электрического кабельного.
- ИК-пол легко установить, можно сделать это самостоятельно — даже без помощников. Стяжка нужна, но пол не заливают стяжкой, а просто кладут сверху уже высохшей. Для монтажа не требуется специальное оборудование.
- ИК-излучение воздействует непосредственно на напольное покрытие, равномерно нагревает его именно в тех местах, где уложена пленка. А пленку можно уложить только там, где ходят или сидят люди, и не тратить энергию на обогрев редко используемых участков комнаты.
- Оборудование не боится мороза, выдерживает до –70 °C, так что его можно установить на даче или в загородном доме, в котором не живут круглый год.
- Пленка неплохо переносит повышенную влажность. Заливать водой пол, конечно, не стоит, это вредно и для ламината, но если небольшую лужу быстро вытереть, то полу она не повредит. Кабель с вилкой лучше, разумеется, не мочить. Если квартиру затопило, оборудование нужно срочно отключить и не использовать, пока пол не просохнет.
- Пол не требует ухода и обслуживания. Если одна или несколько карбоновых полос выйдут из строя, это не повлияет на работоспособность всей пленки.
- Пол не портится при демонтаже: пленку легко снять и установить на новом месте.
Какой максимальный срок службы инфракрасного тёплого пола под линолеум
Схема подключения пленочного теплого пола

Этапы подключения пленочного теплого пола
![]() | 1. На подготовленную поверхность уложить рулонный теплоотражающий материал. |
![]() | 2. Разрезать термоплёнку на полосы необходимой длины и уложить их лицевой стороной вверх (медной шиной вниз). |
![]() | 3 .Прикрепить электрические клеммы к каждой полосе термоплёнки. а) Пробить отверстие в медной шине дыроколом. |
![]() | б) Вставить клемму между слоями полимерной плёнки. |
![]() | в) Надёжно закрепить клемму заклёпкой при помощи специального инструмента. Также возможен монтаж клемм при помощи пайки. |
![]() | 4. Закрепить провода в клеммах в соответствии со схемой подключения. |
![]() | 5. Изолировать электрические клеммы с двух сторон при помощи электроизоляционной мастики (скотч) и изоляционной ленты. |
![]() | 6. Изолировать противоположные концы медной шины изоляционной лентой. |
![]() | 7. Установить под термоплёнку термодатчик и подключить термостат. |
![]() | 8. Проверить работоспособность путём подключения к сети. |
![]() | 9. Уложить напольное покрытие (линолеум, ковролин, ламинат, паркетная доска и т.п.). |
Как избежать перегрева инфракрасного тёплого пола под линолеумом
q Q / (1,163 * D), где:
q — расход ,
Q — мощность нагрева,
D — разница температур подачи и возврата.
В радиаторной системе разница в температуре подающей и обратной воды D составляет 15-20 К, в то время как при напольном отоплении она не превышает 10 К. Это может привести к тому, что расход воды через систему отопления будет больше допустимого расхода. расход через котел, определяемый эффективностью установленного в нем насоса или диаметром труб в нем. Затем вам необходимо установить решение, которое устраняет эту проблему в вашей установке.
Для этого часто устанавливают гидравлическую муфту — распределитель большого диаметра, а это значит, что поток в каждом подключенном отопительном контуре может иметь разную интенсивность, а насосы, расположенные в отдельных контурах, не мешают работе друг друга. В связи с тем, что гидравлическая муфта делит систему на два водяных контура (через котел и через систему отопления), расход воды в контуре теплого пола может быть выше, чем в контуре котла, но не должен превышать 130%. мощности насоса, проталкивающего воду через бойлер.Больший расход воды через контуры отопления, чем через бойлер, означает, что часть воды, возвращающейся из них, засасывается обратно в них в муфте и не попадает в котел. В результате температура подачи контуров отопления ниже температуры воды, выходящей из котла, несмотря на то, что в системе нет смесительного клапана — он заменен муфтой.










