Как сделать теплый пол в квартире своими руками. Принципы организации
- Как сделать теплый пол в квартире своими руками. Принципы организации
- Теплый пол под линолеум. Почему ИК пленка – лучший теплый пол под линолеум
- Водяной теплый пол в квартире на первом этаже. Водяной теплый пол в квартире — можно или нет
- Как сделать теплый пол в квартире электрический. Монтаж инфракрасного электрического теплого пола
- Как сделать теплый пол в квартире с автономным отоплением. Нужно ли согласовывать проект с коммунальщиками?
- Как сделать теплый пол от отопления. Теплый пол от батареи центрального отопления в квартире – схемы, монтаж и первый запуск
- Как сделать теплый пол в частном доме. Подключение водяного теплого пола к основной системе отопления
- Электрический теплый пол в квартире. Теплые полы в качестве основного отопления
Как сделать теплый пол в квартире своими руками. Принципы организации
Чтобы понимать, что вам необходимо для того чтобы сделать водяной теплый пол своими руками, нужно разобраться в том, из чего состоит система и как она работает.
Регулировка температуры теплоносителя
Для того, чтобы ногам на полу было комфортно, температура теплоносителя не должна превышать 40-45°C. Тогда пол прогревается до комфортных значений — порядка 28°C. Большая часть отопительного оборудования выдавать такую температуру не может: минимум 60-65°C. Исключение — конденсационные газовые котлы. Они показывают максимальную эффективность именно при малых температурах. С их выхода подавать нагретый теплоноситель можно напрямую в трубы теплого пола.
При использовании котла любого другого типа необходим узел подмеса. В нем к горячей воде от котла добавляется остывший теплоноситель из обратного трубопровода. Состав этого уза вы видите на схеме подключения теплого пола к котлу.

Схема устройства водяного теплого пола
Принцип работы следующий. Нагретый теплоноситель поступает от котла. Он попадает на термостатический клапан, который при превышении порогового значения температуры, открывает подмес воды из обратного трубопровода. На фото перед циркуляционным насосом есть перемычка. В ней устанавливают двухходовой или трехходовой клапан. Открывая его и подмешивают остывший теплоноситель.
Смешанный поток через циркуляционный насос попадает на термостат, который руководит работой термостатического клапана. При достижении заданной температуры подача из обратки прекращается, при превышении снова открывается. Так происходит регулировка температуры теплоносителя водяного теплого пола.
Распределение по контурам
Далее теплоноситель попадает на распределительную гребенку. Если водяной теплый пол сделан в одном небольшом помещении (ванной, например), в котором уложена всего одна петля из труб, этого узла может и не быть. Если петель несколько, то между ними необходимо каким-то образом распределять теплоноситель, а потом его каким-то образом собрать и отправить в обратный трубопровод. Эту задачу и выполняет распределительная гребенка или, как еще называют, коллектор теплого пола. По сути это две трубы — на подаче и обратке, к которым подключены входы и выходы всех контуров теплого пола. Это самый простой вариант.

Смесительный узел теплого пола с возможностью автоматического поддержания температуры
Если теплый пол сделан в нескольких помещениях, то лучше ставить коллектор с возможностью регулировки температуры. Во-первых, в разных помещениях требуется разная температура: кто-то предпочитает в спальне +18°C, кому-то необходимо +25°C. Во-вторых, чаще всего, контуры имеют разную длину, и передать могут разное количество тепла. В-третьих, есть помещения «внутренние» — у которых на улицу выходит одна стена, а есть угловые — с двумя или даже тремя наружными стенами. Естественно, количество тепла в них должно быть разным. Обеспечивают это гребенки с термостатами. Оборудование недешевое, схема сложнее, но такая установка позволяет поддерживать заданную температуру в помещении.
Терморегуляторы есть разные. Одни контролируют температуру воздуха в помещении, вторые — температуру пола. Тип выбираете сами. Независимо от этого, они управляют сервомоторами, установленными на гребенке подачи. Сервомоторы в зависимости от команды увеличивают или уменьшают проходное сечение, регулируя интенсивность потока теплоносителя.
Теоретически (и практически бывает) может возникнуть ситуации, когда подача на все контуры окажется перекрытой. В таком случае циркуляция прекратится, котел может закипеть и выйти из строя. Чтобы этого не случилось, обязательно делают байпас, через который проходит часть теплоносителя. При таком построении системы котел в безопасности.
Теплый пол под линолеум. Почему ИК пленка – лучший теплый пол под линолеум

Теплый пол разделяют на 2 группы: водяной и электрический, одной из разновидностей которого является инфракрасная пленка. Наименование «пленочный» материал получил из-за внешнего вида. Это двухслойная полимерная пленка, в которую вмонтированы углеродные нагревательные элементы с уникальной нано-структурой. Именно они испускают инфракрасное излучение, нагревающие окружающие поверхности.
Нагревательные элементы выглядят как черные полоски шириной 15 мм, соединенные контактными медными и серебряными шинами. От повреждений структуру дополнительно защищает слой полимера. Система обладает рядом преимуществ:
- Пленка работает в благоприятном для линолеума температурном диапазоне, поэтому именно ИК теплый пол считается прекрасным выбором для монтажа под этот вид покрытия. Оптимальной для линолеума считается мощность около 150 — 230 Вт на квадрат. Инфракрасная пленка обеспечивает эти параметры.При монтаже других вариантов существует риск перегрева. Даже если его последствия не очевидны сразу, со временем проявятся деформацией, размягчением, вспучиванием.
- Пленку можно уложить в помещениях с нестандартной планировкой, на балконах , лоджиях. Небольшая ее толщина дает возможность эксплуатации в строениях с низкими потолками.
- Процесс монтажа прост, поскольку не обязательны «мокрые» работы по заливке стяжки. Система обеспечивает равномерный прогрев помещения, прекрасно поддается автоматической регулировке и может быть интегрирована в систему типа «умный дом».
- ИК теплый пол имеет длительный срок эксплуатации. Большинство производителей дают гарантию на эффективную работу в течение от 15 до 20 лет.
Существенный положительный момент – легкий демонтаж системы. При необходимости достаточно снять напольное покрытие и уложить пленку на новом основании или в другом помещении. Расход электроэнергии при использовании пленочных систем на 30% меньше, чем при использовании электрического греющего кабеля на аналогичной площади.
Источник: https://cabel-electro.ru/stati/teplyy-lentochnyy-pol-pod-laminat-komplektaciya-i-struktura-pola
Водяной теплый пол в квартире на первом этаже. Водяной теплый пол в квартире — можно или нет
Вконтакте
Одноклассники
Собрались делать перепланировку ? Среди ограничений, которые распространяются на жителей многоквартирных домов, есть запрет на монтаж тёплого водяного пола, подключённого к внутридомовым системам.
Почему нельзя подключать тёплый пол к общим инженерным сетям, какие санкции ждут тех, кто решит подключиться самовольно и какое законное решение всё-таки существует — ответим в нашей статье.
Подключение тёплого пола к внутридомовым системам отопления и водоснабжения

Владельцы квартир, подключённых к внутридомовым системам отопления и водоснабжения, не имеют права вносить изменения в существующие инженерные коммуникации.
Инженерные сети входят в состав общего имущества многоквартирного дома (п. 5–6 Постановления Правительства РФ от 13.08.2006 № 491). А именно:
- внутридомовые инженерные системы холодного и горячего водоснабжения, состоящие из стояков, ответвлений от стояков до первого отключающего устройства, расположенного на ответвлениях от стояков, указанных отключающих устройств, коллективных (общедомовых) приборов учёта холодной и горячей воды, первых запорно-регулировочных кранов на отводах внутриквартирной разводки от стояков, а также механического, электрического, санитарно-технического и иного оборудования, расположенного на этих сетях;
- внутридомовая система отопления, состоящая из стояков, обогревающих элементов, регулирующей и запорной арматуры, коллективных (общедомовых) приборов учёта тепловой энергии, а также другого оборудования, расположенного на этих сетях.
Потребитель несёт установленную законодательством Российской Федерации гражданско-правовую ответственность за вред, причинённый имуществу иных потребителей вследствие ненадлежащей эксплуатации внутриквартирного оборудования (для потребителя в жилом или нежилом помещении в многоквартирном доме) или внутридомовых инженерных систем (для потребителя в жилом доме).
!
Подключаться к инженерным сетям МКД категорически запрещено. Ни одна управляющая компания такое подключение не согласует.Самовольное подключение водяного тёплого пола в квартире чревато санкциями и штрафами. А если дело дойдёт до суда, то вас обяжут возместить ущерб, устранить все изменения за свой счёт и вернуть сети в первоначальное состояние.
Причины запретов
Водяной пол, подключённый к общедомовым системам, нельзя делать по нескольким причинам:
- подключения вызывают разбалансировку внутридомовых систем;
- изменения повышают общий уровень энергозатрат;
- существует высокий риск появления проблем с отоплением или водоснабжением у жильцов других квартир;
- присоединение дополнительного водного контура к системе центрально отопления жилого дома снизит уровень давления в трубах — батареи будут греть меньше или станут совсем холодными;
- последствия аварии могут быть очень внушительными, так как невозможно полностью исключить вероятность протечек водяного контура.
Устройство тёплых полов с автономной системой подогрева
В многоквартирных домах принято использовать электрические тёплые полы. Если важно греть полы именно жидким теплоносителем, то законное решение — это водяные полы с автономной системой. Подача и подогрев горячей воды осуществляется в таком случае из нагревательного котла (электрического или газового).
!
Водяной тёплый пол актуален в тех случаях, когда речь идёт о помещениях большой площади. Сооружать сложную систему ради 2–6 квадратов санузла или лоджии не имеет смысла.Непосредственное инженерное решение по организации водяного тёплого пола состоит из двух основных частей:
- Распределительный узел, который состоит из коллекторной группы, насоса для обеспечения циркуляции теплоносителя и смесительного узла, обеспечивающего необходимый температурный режим теплоносителя при подключении к системе радиаторного отопления.
- Контур напольного отопления, состоящий из труб, по которым осуществляется прокачка теплоносителя и передача тепловой энергии материалу пола и напольному покрытию.

Какой пол выбрать — водяной или электрический?
С точки зрения законности и возможных негативных последствий, лучше всё-таки выбрать тёплый пол, работающий на электричестве. Он обходится дешевле, имеет несложную конструкцию, лёгок в монтаже и последующей эксплуатации.
Другие публикации в тему
- Замена газовой плиты на электрическую — инструкция
- Согласование перепланировки ресторана, бара, кафе или кофейни
- Перепланировка проемов: тонкости и порядок согласования
- Акты скрытых работ при перепланировке квартиры
- Как исправить техническую и реестровую ошибку в ЕГРН
- Технические ошибки в техпаспорте БТИ на квартиру
- Перепланировка и общее имущество многоквартирного дома
- Перепланировка кухни — варианты и возможность согласования
- Регистрация проведённой перепланировки в Росреестре
- Особенности перепланировки квартир на последнем этаже
Помогаем людям и компаниям согласовать или узаконить перепланировку в Хабаровске.
За 16 лет работы оформили, согласовали и узаконили более 1000 перепланировок квартир и нежилых помещений.
Обращайтесь — мы легализуем ваш комфорт и уют на законных основаниях!
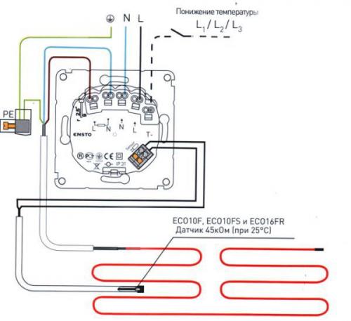
Как сделать теплый пол в квартире электрический. Монтаж инфракрасного электрического теплого пола
Инфракрасный (пленочный) теплый пол монтируется с некоторыми отличиями от своего кабельного «собрата». Следуйте инструкции.

Монтаж инфракрасного электрического теплого пола

Электрический инфракрасный теплый пол

Принципиальная схема подключения ИПО
Составляем схему укладки
Первый шаг. Выбираем место установки терморегулятора. Его монтаж рекомендуется выполнять с 15-сантиметровым отступом от поверхности пола.

Монтаж скрытого терморегулятора теплого пола

Монтаж скрытого терморегулятора теплого пола
Второй шаг. Составляем схему укладки системы обогрева.
Важно: пленку нельзя размещать под крупными бытовыми приборами, мебелью и прочими тяжелыми вещами.
При составлении схемы учитывайте следующие важные нюансы:
- первый ряд пленки должен быть уложен с отступом не менее 100 мм и не более 400 мм от стен;
- если теплый пол будет применяться в качестве основной системы обогрева, он должен занимать как минимум 70-75% суммарной площади поверхности;
- если инфракрасная пленка укладывается в качестве дополнения к имеющемуся обогреву, достаточно, чтобы она занимала порядка 40-50% площади основания.
Укладываем и подключаем систему
Первый шаг. Раскладываем инфракрасную пленку поверх теплоизоляции. Придерживайтесь составленной схемы. При необходимости пленку можно резать по заводским линиям.

Раскладываем инфракрасную пленку поверх теплоизоляции

Резка матов
Укладку элементов выполняйте медными частями контактов вниз по направлению к стене с терморегулятором
Второй шаг. Подключаем контактные зажимы к краю медной полоски и подсоединяем провода.
Конструкция инфракрасного теплого пола

Подключение инфракрасного теплого пола
Третий шаг. Изолируем места разрезов инфракрасной пленки и соединений зажимов и кабелей. Для изоляции хорошо подходит специальная битумная мастика.

Подключение инфракрасного теплого пола
Важно: чем длиннее нагревательные полотнища, тем меньше должно быть контактов. Помните: полоса не может быть длиннее 8 м.
Часть зажимов устанавливайте на токонесущую поверхность. Оставшиеся располагайте внутри нагревательной пленки.
Как сделать теплый пол в квартире с автономным отоплением. Нужно ли согласовывать проект с коммунальщиками?
теплого пола» подключить к существующей центральной системе отопления, он почти наверняка столкнется с целым рядом проблем административного характера.
Отопление многоэтажного дома – это сложная разветвлённая система, которая заранее просчитывалась специалистами, и ее возможности – не беспредельны. При ее проектировании учитывались мощность котельной или локального теплопункта , диаметры и длинна трубопроводов , степень их утепленности , необходимый напор и температура теплоносителя, схема поквартирной разводки и подключения радиаторов – и многие другие критерии. Самостоятельное внесение каких-либо изменений в работу этой системы может привести к дисбалансу, снижению общей эффективности.
Понятно, что проектирование всегда ведется с необходимым технологическим резервом, и подключение одного – двух контуров теплого пола, безусловно, в масштабах системы вряд ли будет заметно. Но, во-первых, жалеющих врезать такой тип обогрева, скорее всего , отыскивается немало. А во-вторых, то, что малозаметно в объеме всей местной системы, вполне может ощущаться в масштабе подъезда или конкретного стояка. Подключение дополнительных контуров, которые обычно имеют очень немалую длину, может сказаться падением температуры теплоносителя в радиаторах соседей. Наверняка , это закончится жалобами на работу теплоэнергетикой, а те, в поисках причины, обязательно ее найдут, и несанкционированное подключение приведет к серьезным мерам административного воздействия.
Выход один – пройти через процедуру согласования с управляющей компанией или с поставщиками тепловой энергии. А вот дадут ли они такое разрешение – это большой вопрос.
В преимущественном положении в этом случае оказываются владельцы квартир, расположенных в самом конце отопительного стояка. Например, при нижней подаче это станет верхний этаж, а если в стояке теплоноситель подается сверху (это случается чаще) то разрешением с большей долей вероятности смогут заручиться жители квартир первого этажа. Отбор тепловой энергии на подогрев пола уже никак не скажется на радиаторах соседей по стояку.
Но это, опять же, вовсе не значит, что иных технических условий коммунальщиков выдвинуто не будет. Так, почти наверняка с их стороны поступи т т ребование по обязательной установке индивидуального прибора учета потребленного тепла.

При согласовании подключения потребуется установить индивидуальный прибор учета потребленной тепловой энергии
Может поступить от коммунальщиков предложение организовать свою систему отопления по по луавтономному принципу. В данном варианте для циркуляции по трубам « теплого пола» не будет использоваться теплоноситель из центральной системы – контур получается полностью замкнутым. А передача тепловой энергии, получаемой из котельной. Происходит через специальное устройство – теплообменник, установленный на трубе подачи.

Отбор тепла может происходить и через теплообменник
Безусловно, при этом придется устанавливать дополнительное оборудование для организации циркуляции теплоносителя и предотвращения аварийных ситуаций. Кроме того, такая схема также не избавляет хозяев от необходимости приобретения и монтажа прибора учета потребленной тепловой энергии.
Многих проблем можно избежать, если принять решение полностью перевести свою квартиру на автономное отопление. Подобная тенденция набирает популярность – хозяева отказываются от услуг отопления и горячего водоснабжения и устанавливают собственный электрический или газовый котел .

Все больше хозяев городских квартир стараются перейти на полную автономность в вопросах отопления и горячего водоснабжения
Здесь тоже требуется согласование с жилищно-эксплуатационными компаниями, но оно уже несколько другого рода. Но зато владелец автономной системы получает свободу в выборе количества и типа радиаторов, контуров « теплого пола», конвекторов и т.п . Приборов учета тепла в данном варианте не потребуется – оплачиваться будет только расходы энергоносителя – газа или электричества.
Нельзя сказать, что на этом проблемы владельцев квартир закончатся – их ждет немало сложностей уже технологического порядка. Но в они тем или иным способом все же решаемы.
Как сделать теплый пол от отопления. Теплый пол от батареи центрального отопления в квартире – схемы, монтаж и первый запуск
Сегодня, решая проблему обогрева своего жилья, большинство владельцев обращают внимание на следующий вид отопления — нагревательные полы.
При этом, наиболее популярным видом, как в частном доме, так и в квартире являются водяные тёплые полы, запитанные от батареи, а в ванной комнате не редко.
Преимущество тёплого пола перед батареями

В отличие от радиаторов, отопление тёплыми водяными полами приводит к равномерному прогреванию помещения. Кроме того, данное устройство обеспечивает более комфортные условия для человека, так как, при половом отоплении, внизу температура выше, чем вверху.
Поэтому, ноги будут находиться в тепле, а голова в более прохладном пространстве, что полезно для здоровья.
Ещё один положительный момент такого отопления — экономия, теплопотери уменьшаются до 20%. Без сомнения, большой плюс — эстетичность конструкции. «Начинка» тёплого пола спрятана под напольным покрытием, тем самым не портя интерьер в квартире, в сравнении с радиаторами, которые размещаются на стене.
Немаловажное значение играет и тот факт, что не происходит пересушивания воздуха и горячие потоки не гоняют частицы пыли по помещению, как при радиаторном обогреве.
К недостаткам такого сооружения относится достаточно трудоёмкий и продолжительный процесс, требующий значительные финансовые затраты. Кроме того, при подключении тёплого пола к радиатору, он будет функционировать только при наличии отопления в батареях.
Можно ли сделать теплый пол от батареи — законно подключение или нет?
В квартире многоэтажного дома обустроить тёплый водяной пол от батареи возможно, но потребуется решить ряд вопросов. Основной — получить разрешение на врезку в центральное отопление дома от теплосетей, так как это может сказаться на работе радиаторов у соседей. Кроме того, неправильно произведённые монтажные работы могут привести к аварийной ситуации, и затоплению квартиры снизу.
К сведению! Без наличия данного разрешения, установка тёплого пола будет незаконной, и при обнаружении такой врезки на вас будут наложены штрафные санкции.
Чтобы сохранить тепловой баланс в доме существует три законных варианта монтажа тёплого пола к радиатору:
- Если в квартире двухтрубная схема подключения батарей;
- При нахождении магистрали отопления в подвале дома, для жителей первого этажа, получить согласие на подсоединение отдельного ввода для подающего и обратного контура проще;
- при наличии верхней разводке на чердаке, легко получить такое разрешение для жителей последнего этажа.
Только в таких случаях, установка пола с обогревом в одной квартире не влияет на режим отопления во всем доме. Врезка в однотрубную конструкцию однозначно приведёт к нарушению гидравлического баланса, что скажется на работоспособности всей системы.
К сведению! При невозможности врезать пол с обогревом в магистраль напрямую, законно получить разрешение на установку водяного пола нельзя.
Схемы подключения
Для подключения тёплых полов существует несколько схем, которые рекомендуют использовать специалисты.
Как сделать теплый пол в частном доме. Подключение водяного теплого пола к основной системе отопления
Итак, с первым вопросом установки теплого пола в частном доме мы разобрались – как ни крути, а придется пол переделывать, вкладывая в это дело немалые деньги. А как же быть с разводкой труб по дому? Не переживайте, рушить еще и стены не придется – в частном доме без проблем можно запитать систему от стояка основного отопления.
В квартирах реализовать подобное намного сложнее, так как приходится согласовывать действия с теплосетями
В квартирах этот вопрос так легко не решается, так как для подключения требуется согласования с теплосетями. При запуске системы в работу вы заберете определенное количество тепла, и его недополучат другие жители вашего подъезда. Если в квартире нет индивидуального отопления, то ответ из служб будет всегда отрицательным. В качестве альтернативы вы можете использовать электрические теплые полы.
Схема врезки теплого пола в отопительную магистраль
Чтобы оборудование работало нормально, нужно обеспечить два обязательных условия.
- Вода в трубах не должна нагреваться сильнее 55-ти градусов по Цельсию . Такой перегрев чреват повреждением напольного покрытия и выделением токсичных веществ из недорогих материалов ( ламината , линолеума ). По перегретому полу босиком будет ходить неприятно.
- Обеспечить нужно потребный расход тепла , иначе на радиаторах температура снизится и никакого изменения в уровне обогрева вы не получите – только перераспределение его в помещении.
Подключить теплый пол можно несколькими способами.
Прямое подсоединение
Самый простой и примитивный способ – прямое подсоединение выводов теплого пола к радиатору отопления. Первый конец подключается к подаче, а второй на обратку. Приемлемого обогрева пола таким способом вы добьетесь только при соблюдении таких моментов.
Водяной пол подключен последовательно с радиатором
- Общий котел, греющий воду, должен уметь в автоматическом режиме поддерживать температуру воды в системе. Если такой функции у него нет, отрегулировать нагрев будет проблематично.
- Общая площадь обогреваемого помещения не должна быть больше 10 квадратов.
- В систему ставится мощный насос, который обеспечит хорошую циркуляцию теплоносителя.
Замена или совмещение
Применять такое подключение не советуем по причине следующих недостатков.
- Вода всегда двигается по пути наименьшего сопротивления. Этот путь пролегает через центральную магистраль, то есть основные трубы и радиаторы. По извилистым путям теплого пола жидкость будет двигаться с меньшей скоростью, что будет приводить к снижению температуры.
- При увеличении температуры в системе, полы могут прогреваться больше положенного.
Некоторые горе-мастера подключают контур теплого пола к обратке, причем в разрыв. Делать так никогда не стоит. Да, вода потечет через контур, только вот расход теплоносителя существенно уменьшается. Хуже греют и пол, и радиаторы.
Подключение теплого пола через клапан
Правильным решением в такой ситуации будет подключение контура обогрева пола через клапан-терморегулятор РТЛ. Устанавливается такой он на обратке от батареи, после чего выполняется его точная настройка.
Электрический теплый пол в квартире. Теплые полы в качестве основного отопления
Электрическая система теплый дом может заменить радиаторное отопление как полностью, так и частично. Главное, прояснить, куда направлены приоритеты. Предпочтения большинства наших заказчиков, тем более тех, кто самостоятельно планирует ремонт, иногда бывают несколько завышены. В итоге они получают излишнее тепло вместо комфортной температуры. Надо разобраться, где и как использовать теплый пол.
Если установка системы задумана лишь для отражения пафоса, то ожидайте дискомфорта. Мы рекомендуем идти своим путем, нисколько не удаляясь от тренда. Это значит - оценить эффективность центрального теплоснабжения, посмотреть, соответствует ли оно оптимальным нормам. Любое отклонение от нормы, будь то в плюс или минус, говорит скорее о местах монтажа системы теплый дом, но не тотальный отказ от нее.
Допустим, в доме прохладно при работающем центральном отоплении. Тогда есть смысл задуматься о полном переходе на теплые полы или по крайней мере обеспечить теплом детскую и спальню. При нормальном радиаторном отоплении теплый пол может оказать медвежью услугу. Не стоит превращать квартиру в сауну. Достаточно провести электрический подогрев полов в санузле, коридоре и на балконе.
Как бы там ни было, теплый пол прогревает помещение равномернее, в отличие от обычных батарей. У последних, тепло исходит в горизонтальном направлении, охватывая близлежащие участки комнаты. Следовательно, перейти на теплый пол во всех комнатах вполне целесообразно, хотя есть угроза остаться без тепла совсем (отключение электричества).
При отсутствии резервного питания отключение электричества на долгое время может сыграть очень злую шутку. Поэтому, лучше иметь обе автономные системы отопления, заменяющие друг друга при необходимости. Благо, есть возможность регулировать режим работы теплого пола.