Теплый пол в частном доме своими руками. Подготовительный этап
- Теплый пол в частном доме своими руками. Подготовительный этап
- Теплый пол в частном доме по грунту. Какой должна быть толщина стяжки
- Теплый пол с нуля. Достоинства и недостатки
- Технология теплого пола в доме. Устройство теплого пола с жидким теплоносителем
- Бюджетный теплый пол своими руками. Утеплитель
- Водяной теплый пол нюансы. Водяные теплые полы
Теплый пол в частном доме своими руками. Подготовительный этап
Все перечисленные выше пункты вплоть до заливки можно объединить в единую категорию – подготовительный этап. Естественно, начинать необходимо с расчета площади полов, чтобы понимать, какая сумма и сколько приблизительно времени будет затрачено на заливку.
Если речь идет о том, как правильно залить пол в частном доме, то расчет закупаемых материалов производится по следующей схеме (на примере помещения размером 5х5 метров):
С учетом произведенных расчетов следует закупать и материалы.
Для качественной стяжки потребуются следующие компоненты:
Из всего вышесказанного можно сделать вывод, что перед тем как правильно заливать полы в частном доме, необходимо приобретать основные составляющие для заливки стяжки в соответствии с произведенными расчетами. Относительно высоты пола необходимо знать толщину не только стяжки и насыпных слоев, но и всех укладываемых материалов: паро-, гидро- и теплоизоляция.

Начинается заливка полов в частном доме с очистки рабочего пространства. Естественно, необходимо с чернового пола убрать пыль, грязь, мусор при помощи веника, а еще лучше мощного бытового или промышленного пылесоса. После уборки можно приступать к такому процессу, как заливка пола в доме своими руками, который является не самым простым.
Стоит учесть сложность создания необходимого количества раствора.
Если производить замес вручную, то будет затрачиваться много времени для приготовления одной порции.
Лучше всего использовать бетономешалку с большой емкостью. Только при автоматическом замесе можно обеспечить правильную бесперебойную подачу раствора на пол.
Теплый пол в частном доме по грунту. Какой должна быть толщина стяжки
Стяжка под теплый пол должна быть сделана правильно. Толщина стяжки — это очень важный параметр. Он зависит от того, какие финишные отделочные материалы вы выберите. Если толщина будет учтена неправильно, то обогрев станет неравномерным, а само отопление неэффективным.
Итак, если вам необходимо выровнять черновое основание или устранить серьезные перепады по горизонтали на нем, толщина стяжки будет составлять около 5 см. При этом вы можете укладывать тепло и гидроизоляцию под нее. Поверх изолирующих элементов наливается слой, толщина которого должна быть не менее 2 см. Приступать к монтажу теплого пола в этом случае можно будет только через 28 дней. Все манипуляции можно производить своими руками.
Толщина стяжки также зависит от того, какой раствор вы будете использовать. Если он в своем составе имеет цемент и песок, то в целом над греющей конструкцией должен быть слой в 5 см. Если вы решили в смесь добавить пластификатор, толщину стяжки можно уменьшить до 2-2,5 см. Однако в этом случае вам придется применять армирующую сетку или укрепляющий состав. В противном случае толщина слоя будет равняться 3 см.
Если греющая конструкция сделана на основе труб, то высота «пирога» будет составлять около 8,5 см. Такой размер является неприемлемым, если в доме низкие потолки. Кроме того, нужно также учитывать, где располагается квартира. Если она находится на нижнем этаже, то толщина «пирога» может равняться 11 сантиметров.
Если вы не хотите делать слишком большую стяжку, то есть смысл в обустройстве . В этом случае ее толщина не будет превышать 3 см. Хотя, при использовании специальных пластификаторов, этот параметр может быть снижен до 2 см. В этом случае перегрев элементов исключается.
Теплый пол с нуля. Достоинства и недостатки
Теплые полы на сегодняшний день являются довольно популярными и используются многими владельцами частных домов. Теплоотдача в данных системах осуществляется за счет расположенных под напольным покрытием труб, по которым циркулирует разогретый теплоноситель, или же посредством электрических нагревательных элементов.
В результате пол нагревается и становится теплым на ощупь, что уже само по себе существенно повышает уровень комфорта в доме.
Среди положительных качеств теплого пола наиболее ярко выделяются следующие:
- Высокий уровень комфорта . Нагретый до определенной температуры пол позволяет ходить по нему босиком, не боясь какого-либо дискомфорта.
- Экономичность . Экономия при использовании теплых полов достигается за счет эффективного распространения энергии – она движется снизу вверх и обогревает только тот объем помещения, в котором тепло необходимо, т.е. лишние траты отсутствуют.
- Возможность настройки температурного режима . Теплый пол настоятельно рекомендуется оснастить электронным блоком управления, который позволит системе отслеживать текущую температуру в помещении и удерживать ее в заданных пользователем пределах.
- Простота монтажа . Обустройство теплых полов – это довольно простое занятие, особенно если речь идет об электрической разновидности системы. Водяной контур прокладывать сложнее, но даже его при желании вполне можно установить своими руками.

Недостатки тоже имеются:
- Высокая себестоимость . Для монтажа теплого пола потребуется немало материалов, да и на некоторые инструменты придется раскошелиться. Снизить уровень затрат можно только одним способом – выполнить всю работу по обустройству отопления самостоятельно.
- Уменьшение объема помещения . Толщина теплого пола может варьироваться в пределах от 7 до 12 см – и именно на эту высоту поднимается весь пол. Если потолки высокие, то особых проблем из-за этого не возникнет (разве что придется переделать пороги).
- Требовательность к напольному покрытию . Накрывать теплый пол можно только теми покрытиями, которые хорошо пропускают тепло. Лучше всего приобрести специализированные материалы, рассчитанные на использование в сочетании с теплыми полами. Неподходящее покрытие не позволит системе эффективно работать, а в случае с электрическими нагревателями еще и существует вероятность их поломки в результате перегрева.
Достоинства теплых полов существенны, а недостатки не носят критический характер, поэтому такие отопительные системы вполне можно использовать для отопления, как в качестве основного, так и в качестве дополнительного источника тепла.
Технология теплого пола в доме. Устройство теплого пола с жидким теплоносителем
Если вы проживаете в загородном доме постоянно, стоит воспользоваться наличием централизованного газоснабжения и выбрать воду как теплоноситель. Если загородный дом используется как дача, на выходные, стоит присмотреться к антифризу. Он позволит вам не спускать воду каждый раз, когда вы приезжаете на дачу.
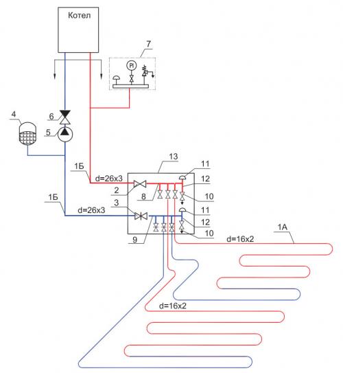
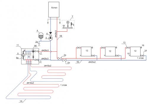
Теплые полы водяные в частном доме представляют собой замкнутый контур . Он выкладывается из труб и монтируется под напольным покрытием. Теплоноситель-вода циркулирует по трубам, которые вмонтированы в стяжку. Котел нагревает воду, из него она проходит в главный коллектор и попадает в распределительный узел. Отсюда равномерно распределяется по трубам, передавая тепло стяжкам. Потеряв температуру, уходит обратно в котел для следующего цикла.

Отопительная система с жидким теплоносителем бывает с открытым и с закрытым контуром . Различие между ними состоит в конструкции расширительного бачка.
В открытом контуре бачок сообщается с окружающей средой, в него при нагревании можно добавить жидкость, чтобы компенсировать ее недостаток.

Конструкция закрытого типа обладает особенностями, в частности наличием мембранного бака.

Водяная система укладывается одним из трех способов:
- на грунт;
- на основание, обычно это бетонная плита;
- на деревянный пол.
На деревянный пол укладывают довольно редко. Чаще всего его убирают, заливают стяжку, после чего укладывают систему. Более простой вариант – когда все элементы системы укладываются на черновой пол (основание) и заливаются самовыравнивающимися смесями. Правда, при этом уменьшается полезный объем пола за счет увеличения его толщины. Этот вариант не будет удобен для помещений с низкими потолками.
Теплый деревянный пол в частном доме обычно устраивается на грунт . Теплый пол по грунту укладывается так: снимают верхний слой, формируют подушку до 10 см из песка и щебня, сверху стелют материал с гидроизолирующими свойствами. Как правило, это рубероид, специальная мембрана. На все это укладывается черновая стяжка, а на нее размещают трубы и утеплитель.
Проще всего с бетонным основанием. Его выравнивают, трещины заделывают, и основание для укладки теплого пола готово.
Система состоит из следующих компонентов:
- труб, которые обычно изготавливают из полипропилена или металлопластика;
- крепежей;
- теплоизоляционных материалов;
- коллектора и фитингов, с помощью которых подключают.
Для нагревания используется двухконтурный котел. Он же обеспечивает также горячую воду в жилище.
Водяной теплый пол не нагревает более 55°, обычно температура теплоносителя составляет 35-45° максимум. При этом температура поверхности пола – 26-31°: 26° в местах, где люди находятся постоянно, и 31° в помещениях, где пребывание временное.
Циркуляционный насос монтируется вне котла или встроен в него. Он позволяет выдерживать одно из требований, которые предъявляются к водяному полу: перепад температуры между поданной водой и обраткой должен быть не более 10°.
Существует большое количество вариантов подключения водяного теплого пола к системе отопления. Рассмотрим четыре схемы водяного теплого пола в частном доме.
- Схема прямого подключения.

- Схема с трехкодовым клапаном.

- Схема с насосно-смесительным узлом.

- Схема с терморегулирующим комплектом для одной петли.
Бюджетный теплый пол своими руками. Утеплитель
Если надо сделать экономично - не используйте всевозможные маты для теплого пола. Всевозможные европейские системы вроде таких, как маты с бобышками - это затратное в финансовом плане решение, хотя, возможно, кому то проще монтировать именно таким способом.
"Отражающая" фольгированная подложка из вспененного полиэтилена которую некоторые кладут прямо на грунт или на слой утеплителя - не работает вообще. Ничего не утепляет (т.к. сжимается в ноль) и не отражает (т.к. нет воздушного зазора). Не предусмотрена ни одной технологией монтажа. "Отражающая" подложка - удел малограмотных кустарей и самодельщиков. И это выброшенные деньги в лучшем случае. В худшем - если алюминиевая фольга не ламинирована, то она вступает в реакцию со щелочной средой растворной стяжки и разрушится за пару недель, вызывая снижение марки раствора и последующее растрескивание стяжки.
Не надо покупать "отражающую" фольгированную подложку. Она не работает.
Не надо покупать "отражающую" фольгированную подложку. Она не работает.
Используйте для утепления теплого пола пенополистерол , лучше экструдированный. Выбор всё шире и производители обычно указывают какая продукция в их каталогах специально предназначена в качестве утеплителя под стяжку пола. Если придется использовать более дешевый пенополистерол ПСБ, то требуемая плотность пенополистерола 35 кг/м3. Всегда уточняйте и проверяйте реальную плотность, т.к. марка ПСБ 35 вовсе не означает реальную плотность 35 кг/ м.куб. Тщательно выбирайте изготовителя ПСБ что бы не купить, то что будет крошится сразу уже в руках. Иной раз, лучше купить более высокую марку, например ПСБ 50.
Не экономьте на толщине слоя теплоизоляции, между отапливаемыми этажами д.б. слой 30 мм, на грунт от 50 мм до 100 и более (согласно расчетам). Иначе потратите больше при отоплении и поимеете другие проблемы.
Мануалы не требуют приклеивать или прибивать "грибами" утеплитель к основанию. Т.е., чаще всего, не стоит тратить на это время, силы и дополнительные материалы.
Игнорируйте такую фикцию как разрекламированный отечественный пенополистерольный " пенощит ", имитирующий маты с бобышками. Вставленная в пазы труба потеряет очень большую площадь контакта с раствором и, соответственно, снизится теплоотдача. Это выброшенные деньги
Пенощит - не надо так делать. Не имеет аналогов в развитых станах, это не мат с бобышками.
Водяной теплый пол нюансы. Водяные теплые полы
Вода здесь служит теплоносителем, циркулируя по уложенным в стяжку трубам. Система водяного теплого пола работает так: вода нагревается в котле, затем движется по трубам и отдает свое тепло в стяжку. Остывшая вода перетекает обратно, возвращается в котел, снова подогревается и поступает на новый цикл нагрева.

Элементы водяных теплых полов:
- полипропиленовые или металлопластиковые трубы
- коллектор
- трехходовые клапаны
- система регулировки температуры
Иногда требуется еще циркуляционный насос и система управления к нему. Нагревательным элементом обычно служит двухконтурный котел, который одновременно обеспечивает и горячее водоснабжение в доме.
Особенности монтажа
Монтаж водяного теплого пола — трудоемкая процедура. К тому же не особо бюджетная: нужно потратиться на устройство стяжки, покупку и разводку труб, а также всей необходимой соединительной и запорно-управляющей фурнитуры. Правда, все это окупается экономичной эксплуатацией, так как затраты в дальнейшем ниже, чем у электрического теплого пола.

При устройстве водяного теплого пола обязательно нужна качественная гидроизоляция, а также система защиты от протечек. Обычно такой водяной пол устанавливают в новостройках или во время капитального ремонта, потому что для него нужен довольно толстый слой стяжки, чтобы скрыть трубы. Вся система выглядит как увесистый слоеный пирог: гидро- и теплоизоляция, разводка труб, стяжка, финишное напольное покрытие.
Плюсы и минусы
Водяной теплый пол хорош тем, что:
- Совместим со всеми типами декоративных напольных покрытий.
- Экономичен в обслуживании и эффективен в обогреве.
- Его можно использовать как единственную отопительную систему в доме.
- Не сушит воздух и не генерирует электромагнитного поля.
Но есть и недостатки:
- Сложный и долгий монтаж. Несмотря на то, что есть сухие и полусухие стяжки, укладка всей системы — дело сложное и совсем не быстрое. Кстати, здесь мы писали, как сделать сухую стяжку.
- Монтажом должен заниматься только профессионал. Если возникнет протечка, то придется снимать напольное покрытие и делать частичный или полный демонтаж стяжки.
- Помещение станет ниже. Стяжка водяного пола может быть толщиной до 10 см — имейте это в виду.
- Покупка всей системы и монтаж обойдутся дороже, чем на электрический теплый пол.